Beskrivning
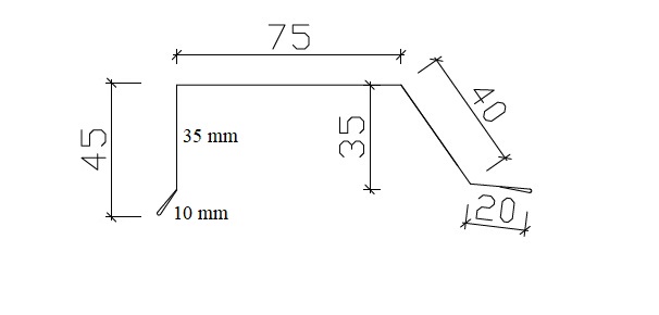
Vindskiva
Passar till Profilplåt´s Nostalgi klicktak.
Tillverkas i 2 meters längder.
Kvalitet: Prima
Längd: 2000 mm
Tjocklek: 0,5 mm | 0,6 mm
Materialtyp: Stålplåt
Beläggning: Polyester | GreenCoat Pro Matt
Leveranstid
Varierar eftersom vi använder utomstående fraktbolag. Schenker & DHL sköter våra leveranser. Normal leveranstid brukar vara ca 2-3 dagar på mindre gods.
Beställ med dina mått
Du kan enkelt göra en beställning med egna mått på alla våra beslag.
Sökord: krönbeslag, sidoplåtar, gavelbeslag, vindskiva, vindskivor, vattbrädebeslag





Ränndal produkt
Gavelbeslag 326629
Takfotsbeslag 326605
Vindskiva 2 profilplåt produktbild
Tätningsband Fästbleck Nostalgi klicktak
Recensioner
Det finns inga recensioner än.